中国如何自处?氢燃料都依赖进口,航天命脉受限
求知百科 2021.11.19 5189 1
随着一架架飞船的升空,中国的航天事业发展到了一个新的高度。面对这种情况,可以说是有人欢喜有人愁。一些外媒就传出了这样的报道:中国火箭发动机中的液态氢燃料全都依赖于法国进口,一旦法国人停止燃料供应,中国空间站建设就会止步不前。这是真的吗?
液氢运输
想要弄清楚这句传言的真假,首先让二师姐带领大家了解一下氢液化技术以及研发它的难度!
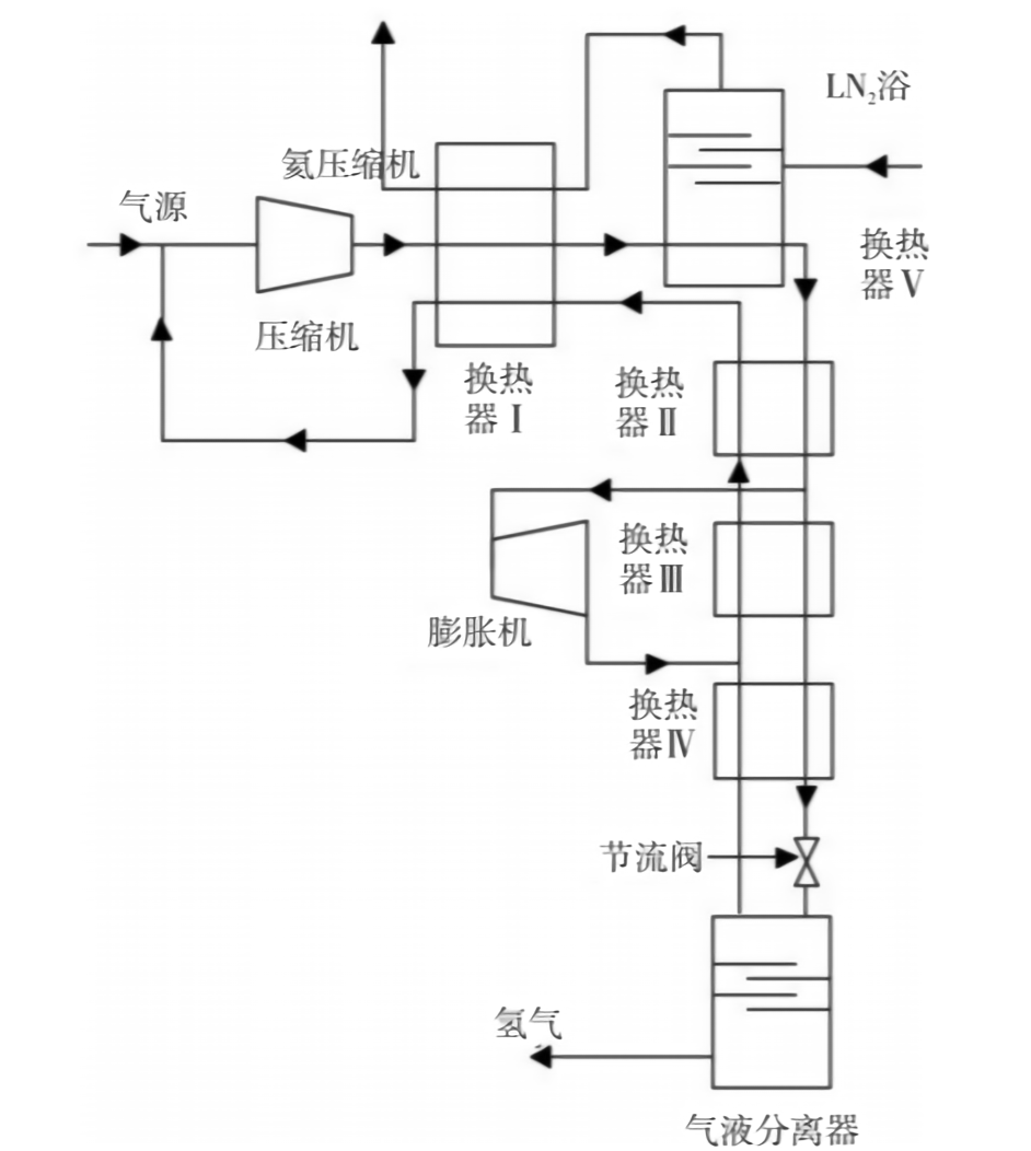
液化氢技术
氢液化的技术最早是英国人研发的,到20世纪初又出现了Claude循环,二者氢液化方式的不同主要在于膨胀机的使用。使用液氮预冷、膨胀机提供低温区冷量的Claude循环,效率要更高更快。到目前为止,Claude循环仍然是大型氢液化装置的基础。
氢液化装置部分组件
不管是哪种方式,对进行氢液化的装置设备都有着极高的要求,其中最核心的装置叫透平膨胀机。要获得优异的机器性能,不仅需要对冷端的低温膨胀特性进行深入研究,还要充分关注制动端的离心压缩特性和整机的匹配。除此之外,当设计与分析热力学时,更得考虑转子的气动与机械性能。
国外的氢液化技术起步早,研发投入多,早期的中国还比较落后,也没有这方面的需求,等到我们有需求了,起步也晚了。我们与国外最大的差异也就在高端核心设备的研究与供应上。所以才会出现“有关中国火箭发动机的燃料都依赖于进口”这样的传言。那么这种受制于人的局面是从什么时候开始的呢?中国又是什么时候开始加大这方面的需求呢?
受制于人
实事求是的说,这是真的。在1960年以前,中国对于氢液化这方面的技术基本没有需求,三大改造在1956年年底才完成,这个时候全国致力于实现人民吃饱穿暖的目标。直到1960年,在这一年发生了很多大事件。其中,中国自行设计制造的试验型液体探空火箭与中国仿制的第一枚近程导弹发射成功,为中国航天火箭研发打开了新的大门。
1961年,在钱学森同志的倡导下,中国航天科技集团六院101所建立了低温技术研究室,开始研制氢与液化设备。由于起步太晚,技术和资金也不到位,在长达60年的时间里,中国都要依靠外国进口氢燃料进行火箭研发。但是这种情况已经发生了根本改变,2021年9月20日航天科技集团六院101所正式宣布:我国自主研制的首套产量达到吨级的氢液化系统调试成功,并实现了连续稳定生产。
中国自主研发
中国航天科技集团六院101所是我国唯一的液氧液氢火箭发动机试验中心,长征五号使用的大推力液氧液氢发动机的试验考核就是在这里通过的,长征五号是目前国内最先进的液氢液氧火箭。
我国自主研发的这套氢液化系统耗时400多天,其中国生产设备的使用达到了百分之九十,弥补了我国具有自主知识产权设备的空缺,后续我们的科研人员还会不断钻研以攻克最后的百分之十。这套系统的成功研发为我国火箭燃料的供给提供了有力的保障,还增加了我国与外国就液化氢这方面技术谈判的话语权。
该所结合自己在液化氢技术领域几十年的经验与研究成果,攻克了很多核心难关,并且验证了多项关键技术,我国商用市场两个氢液化系统建设项目也已经基本完成。氢燃料电池具有清洁、可再生的优势,逐渐成为未来新能源技术的首要发展方向,该所还研制建设了我国首座液态储氢加氢站,研发了我国第一套重型车辆车载液氢供气系统,实现了国内第一例车载液氢瓶火烧和爆破试验的成就,为氢能产业未来的发展提供了有力的支撑。
虽然我国液化氢技术已经有了显著的进步,但是与西方一些国家还是有根本上的差距。
中美液氢工厂对比
美国本土有15座以上的液氢工厂,液氢产能居于全球首位,加拿大的大部分液氢产能也为美国所用。中国的液氢工厂只有陕西兴平、海南文昌、北京101所和西昌基地等,相比起美国,这些工厂少得可怜,而且它们主要服务于航天事业,总产能最多达到每天生产4吨,最大的海南文昌液氢工厂每天的产能最多也只有2吨。
中国液化氢技术发展缓慢也与美国等西方国家的封锁有关,美国限制西方一些国家与中国科学技术上的交流,防止中国研发出关键设备以及核心技术。中国又因为基础薄弱,在氢能产业的发展上就被严重限制了。现在我们已经有了独立研究的条件,那么今后还能将这一技术运用到哪些产业呢?
氢能的发展前景
当今社会,大部分国家还是以环保和可持续发展为发展策略,中国就在加快研究环保新能源的进程。在新能源车中,纯电动车的技术已经基本成熟,续航表现、充电技术也在稳步提升,不过和氢燃料电池汽车还是有差距的。
首先在补能这块,按目前电池容量普遍在50kWh的电动车为例,在快充条件下从低电量充至80%电量,充电时间也得30分钟左右,而氢燃料电池车加注氢气只需要三到五分钟。
从续航里程来看,目前绝大部分的纯电车续航里程都比较低,而且还受外界温气温影响,大多只适合短途使用。氢燃料电池车拥有更加接近传统汽车的巡航里程,同时还可以满足长途行驶,不过这也得看加氢站的覆盖。
到2020年年底,纯电动车和插电混合动力汽车的补贴将会完全退出。氢燃料电池汽车是唯一继续财政补贴还不限制地方补贴比例上限的车型;并且2020年后,对燃料电池汽车也会持续支持。
总结
不仅是氢能源车,氢能源在未来各个领域发展的前景十分可观,想要打造一个高效、可靠、低成本的氢供应链,中国还是任重而道远。不过相信在不久的将来,我们可以做到!
本文转载自互联网,如有侵权,联系删除


